Over/Under voltage, Over current, Overheating, Short circuit
Debug & configuration
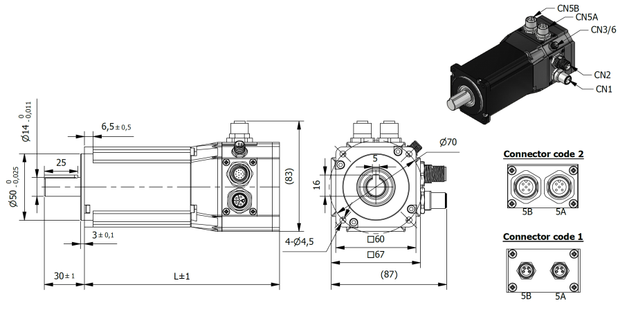
Serial interface
Digital Inputs
4 not isolated 5-24 Vdc PNP
Analog Inputs
2 not isolated | 0-10 Vdc
Digital Outputs
2 not isolated 24 Vdc PNP
Technische Dokumente
Datasheet
Short manual
3D STP file
Kundenspezifischen Kombinationen sind auf Anfrage erhältlich. Kontaktieren Sie uns
Getriebe
GP56 -S
Planetary gearboxes - GP series
Size (mm)
56
Length (L) (mm)
50,6 - 67,8
Reduction Ratio
3,293 - 62,326
Nominal Output Torque (Nm)
7,73 - 26,48
Max. Input Speed (rpm)
4658 - 13000
GP56 -N - Low noise
Planetary gearboxes - GP series
Size (mm)
56
Length (L) (mm)
56 - 73
Reduction Ratio
3,24 - 35,05
Nominal Output Torque (Nm)
1,53 - 15,84
Max. Input Speed (rpm)
5450 - 9758
GP56 -T - Torque
Planetary gearboxes - GP series
Size (mm)
56
Length (L) (mm)
54,8 - 86
Reduction Ratio
3,293 - 256,23
Nominal Output Torque (Nm)
7,73 - 35
Max. Input Speed (rpm)
4658 - 13000
56JMS
Planetary gearboxes - JMS series
Size (mm)
56
Length (L) (mm)
37,8 - 60,8
Reduction Ratio
3,6 - 76,77
Nominal Output Torque (Nm)
9 -30
DL Space
DL Space ist die innovative visuelle Programmierumgebung für unsere Antriebe. Die Software erfordert kein Erlernen einer Textsprache, sondern ermöglicht durch eine grafische Programmierung und Menü-Führung die Erstellung von Multitasking-Programmen, die alle Funktionalitäten der DL-Antriebe mit S200-Firmware nutzen.
Die mit DL Space realisierten Programme ermöglichen es, alle Low-Level-Steuerungsmodi unserer programmierbaren Antriebe sowohl für bürstenlosen Motoren als auch für Schrittmotoren auszuschöpfen, darunter mehrere Homing-Modi, die elektrische Welle, den elektronische Bereich und viele weitere Funktionen.
Das Debugging von Applikationen kann schnell und einfach durchgeführt werden, dank der speziellen Fenster, die ein virtuelles Oszilloskop zur Überwachung der tatsächlichen Motorbewegungen enthalten.
Software
Manual
Start Up Guide
Für die Nutzung unserer Software ist ein Service-SCI-Schnittstellenkabel erforderlich, das auf Anfrage erhältlich ist.
Das "Connector Kit" ist nicht im Lieferumfang enthalten, aber auf Anfrage erhältlich.